Produse speciale /

Typ 610

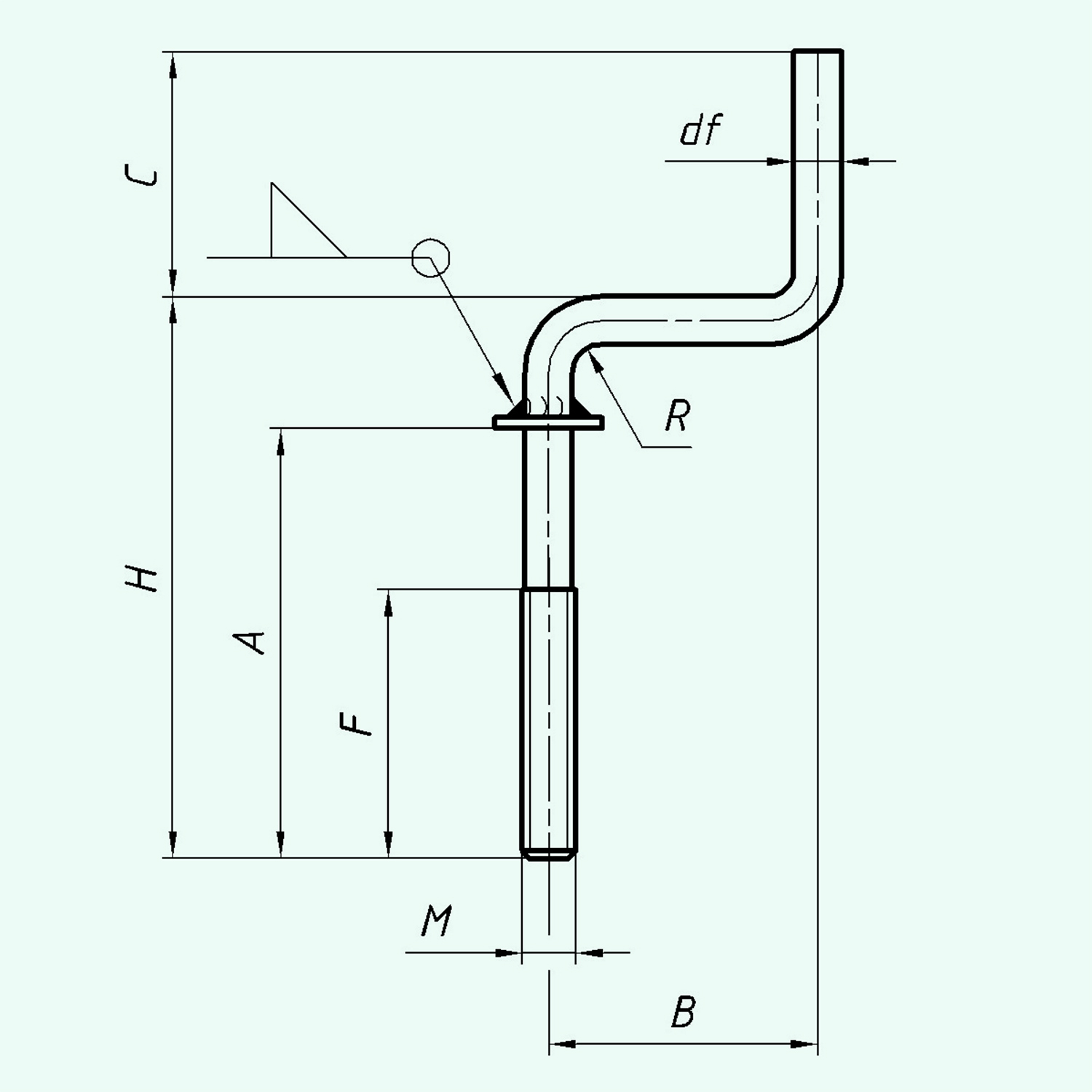
5045 Typ 610 - Bent studs

Înainte de a trimite cererea pentru produs, vă rugăm să completați toate câmpurile de mai jos.

Dimensiuni
Filet
Accesorii:
Servicii suplimentare

Zarri oferă servicii suplimentare precum:

Alegând unul sau mai multe servicii, vom discuta împreună tipul cel mai potrivit pentru nevoile dumneavoastră.

Produsul a fost adăugat la cerere. Faceți clic aici pentru a vedea cererea